关于陈家镇2024年农田基础设施管护计划的函

信息来源:平台发布

发布时间:2024-01-25 00:00

浏览

【字体:
  • 索引号:

    SY0024799241202400003

  • 主题分类:

    农业、林业、水利-农业、畜牧业、渔业

  • 公开主体:

    上海市崇明区陈家镇人民政府

  • 发文字号:

    沪崇陈府〔2024〕5号

  • 成文日期:

    2024-01-15

  • 发布日期:

    2024-01-25

  • 生效日期:

  • 失效日期:

崇明区农业农村委:

为巩固我镇农田建设成果,保障农田基础设施良性运行,促进农业可持续发展。现报请审批2024年农田基础设施管护计划和管护奖补资金。

一、管护范围

根据区农业农村委、区财政局《关于印发崇明区农田基础设施管护实施办法的通知》(沪崇农发〔2023〕44号)文件要求需纳入管护农田面积内的所有农田基础设施。

二、管护模式

我镇计划采用第三方养护模式开展具体管护,第三方养护面积10852亩。

三、管护内容

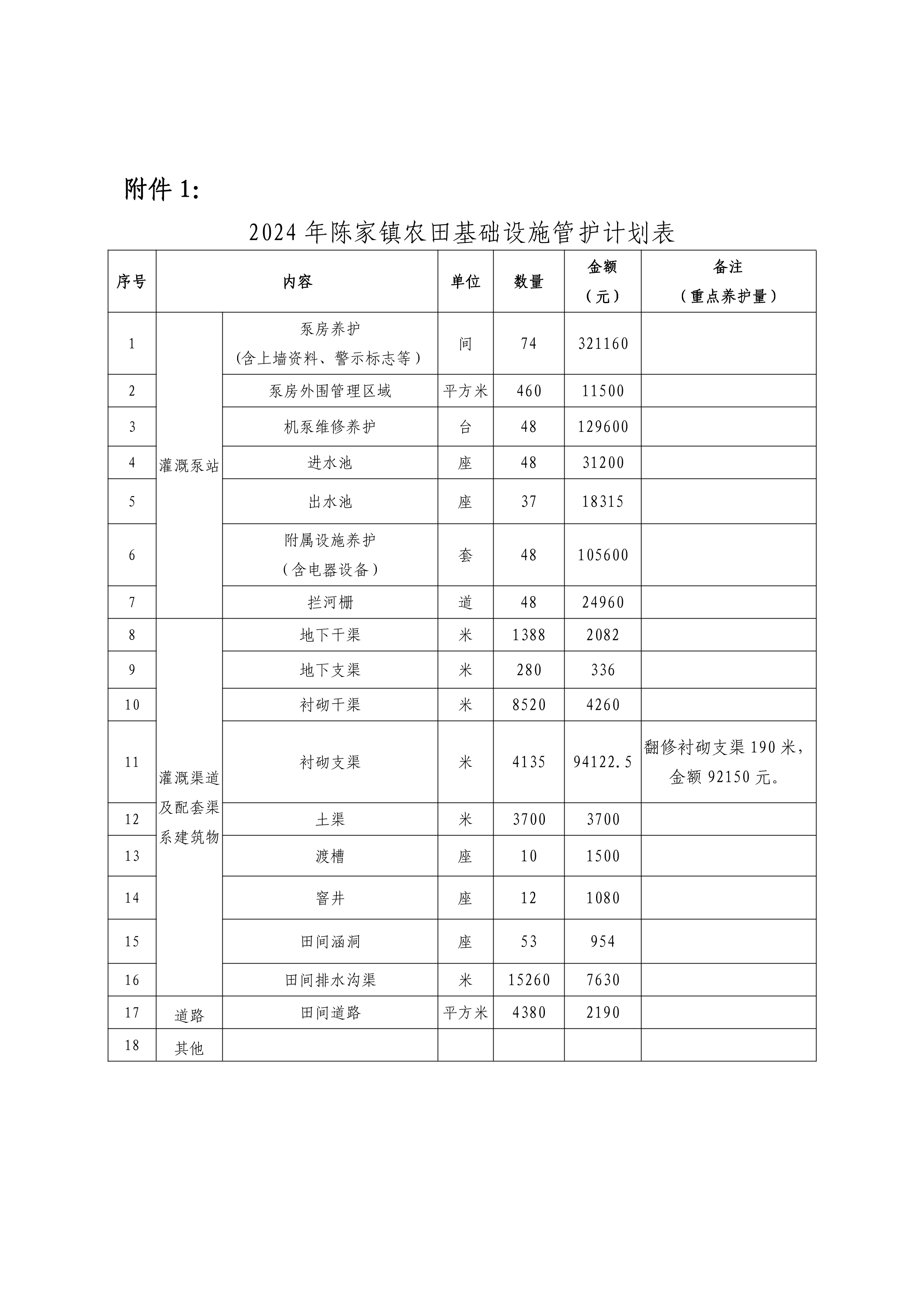
(一)常规养护

1.灌溉泵站养护:包括泵房74间、泵房外围管理区域460㎡、机泵48台、进水池48座、出水池37座、附属电气设备48套、拦河栅48道等。

2.灌溉渠道及配套渠系建筑物养护:包括地下干渠1388米、地下支渠280米、衬砌干渠8520米、衬砌支渠3945米、土渠3700米、渡槽10座、窨井12座、田间涵洞53座、田间排水沟渠15260米等。

3.田间道路养护:用于农业生产的田间道路4380㎡等。

(二)重点养护

1.翻建:翻修衬砌支渠190米。

四、资金筹措

管护奖补资金根据我镇确定的管护农田面积,按照市、区和镇1:0.5:0.5的比例配套。我镇核定管护面积10852,农田基础设施管护奖补资金合计760189.5

五、资金管理与监管

我镇将按照区财政资金管理要求,对农田基础管护奖补资金实行专款专用、专账核算,切实加强奖补资金的管理和规范使用。


附件:1.2024年陈家镇农田基础设施管护计划表

   2.2024年陈家镇农田基础设施管护模式计划表

 

上海市崇明区陈家镇人民政府

2024年1月15日


扫一扫在手机打开当前页
文件预览
相关链接
公众评价

0位公众参与评价,0位公众认为信息有帮助。